このブログは、JIS規格の製図、なかでも機械製図に関するものを掲載しています。
この頁では、JIS規格の機械製図に関係する規格を説明し、JIS規格とは違う観
点からの解説やコメントを述べています。
幾何公差のためのデータム
JIS B 0022
※ 幾何公差に関する規格は、これまで参考のために掲載してきたが、このデータムに
ついては、製図よりも設計の要素がより強いものといえる。したがって、製図という
括りでは説明しきれないものであるので、この項目も参考のための掲載である。
間違いのない図面が描かれていても、設計が正しくなされていなければ正しい部品
は作られない。まずは、正しい設計というものを理解する必要がある。データムに関
しては特にこの傾向が強いものとなっている。
1. 適用範囲 この規格は、幾何公差を指示するときに用いるデータム及びデータム系
の図示方法及び設定方法について規定する。
2. 用語の意味 この規格で用いる用語の意味は、JIS B 0021(幾何公差の図示方
法)、JIS B 0621 (幾何偏差の定義及び表示)によるほか、次による。
(1) データム 関連形体に幾何公差を指示するときに、その公差域を規制するた
めに設定した理論的に正確な幾何学的基準(図1)。例えば、この基準が
点、直線、軸直線、平面及び中心平面の場合には、それぞれデータム点、デ
ータム直線、データム軸直線、データム平面及びデータム中心平面と呼ぶ。

(2) データム形体 データムを設定するために用いる対象物の実際の形体(部品
の表面、穴など)(図1)。
備 考 データム形体には、加工誤差などがあるので、必要に応じてデー
タム形体にふさわしい形状公差を指示する。
(3) 実用データム形体 データム形体に接してデータムの設定を行う場合に用い
る。十分に精密な形状をもつ実際の表面(常磐、軸受、マンドレルなど)
(図1)。
備 考 実用データム形体は、加工、測定及び検査をする場合に、指示した
データムを実際に具体化したものである。
(4) 共通データム 二つのデータム形体によって設定される単一のデータム。
(5) データム系 公差付き形体の基準とするために、個別の二つ以上のデータム
を組み合わせて用いる場合のデータムのグループ。
(6) データムターゲット データムを設定するために、加工、測定及び検査用の
装置、器具などに接触させる対象物上の点、線又は限定した領域。
3. 記 号 データム及びデータムターゲットの記号は、表1のとおりとする。

4. データム又はデータム系を指示する場合の基本的事項
4.1 単一のデータムによる指示 姿勢公差、振れ公差などは、一般に単一のデータムと関連して支持する。
4.2 三平面データム系による指示 位置公差は、一般に互いに直交する三つのデー
タム平面と関連して指示する。これらの三平面によって構成されるデータム系を、三平
面データム系という。この場合、データムの一義性を考慮してデータムの優先順位を定
めて指示する。三平面データム系を構成するデータム平面は、その優先順位に従ってそ
れぞれ第一次データム平面、第二次データム平面及び第三次データム平面という(図2)。
これらのデータムに対応する実用データム形体は、それぞれ第一実用データム平面、
第二次実用データム平面及び第三次実用データム平面という(図3)。
備 考 円筒状の対象物に三平面データム系を適用する場合には、軸直線を含む
互いに直交する二平面と、軸直線に直行する一平面とで三平面を構成する(図4)。



5. データム及びデータム系の図示方法
5.1 データムを指示するための図示方法 データムを指示するためのデータム記号
の表し方は、次による。
(1) データム三角記号の付け方 データム三角記号の付け方の詳細は、JIS B
0021 による(図5、図6)。

(2) 文字記号によるデータムの示し方 文字記号によるデータムの示し方は、
JIS B 0021 による(図7)。

5.2 公差記入枠へのデータム文字記号の記入方法 データム記号によって指示した
データムと公差との関連を表すために、公差記入枠にデータム文字を記入する方法は、
次による。
備 考 公差記入枠の左から一番目及び二番目の区画中の記入については、
JIS B 0021 による。
(1) 一つのデータム形体によって設定するデータム データムを一つの形体によ
って設定する場合には、そのデータムは公差記入枠の左から三番目の区画の
中に指示する(図8)。
(2) 二つのデータム形体によって設定する共通データム 一つのデータムを二つ
の形体によって設定する場合には、そのデータムは、ハイフンで結んだ二つ
の文字記号によって公差記入枠の左から三番目の区画の中に指示する(図
9)。図示例を図10に示す。

(3) 二つ以上のデータムによって設定するデータム系 二つ以上のデータムを組
み合わせて設定するデータム系の場合には、 それらのデータムは、公差記入
枠の左から三番目以降の区画の中に優先順位に従って記入する(図11)。図
示例を図12に示す。

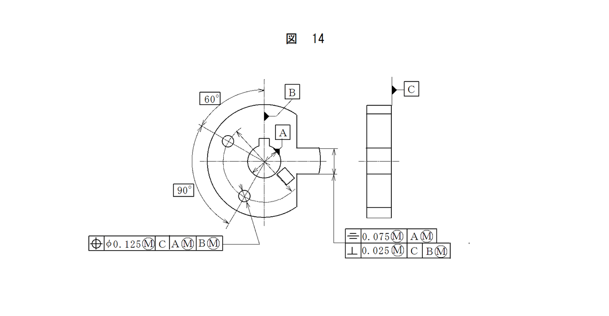
備 考 データムを指定する場合の順序は、図13のように公差に大きな影響
を及ぼすので注意する必要がある。図示例を図14に示す。


6. データムターゲットの図示方法
6.1 データムターゲットを指示する場合の基本的事項 データム形体が面である場
合には、その面が理想的な形状と大きく異なることがある。この場合、全表面をデータ
ム形体として指示すると、加工、検査などの時の測定に大きな誤差を生じたり、また、
繰り返し性・再現性が悪くなることがある(図15及び図16)。これを防止するために、
データムターゲットを指示する。


6.2 データムターゲットを図示する場合に用いる記号 データムターゲットの図
示、次のデータムターゲット記入枠、文字記号及びデータムターゲット記号による。
(1) データムターゲット記入枠及び文字記号 データムターゲットは、横線で二
つに区切った円形の枠(データムターゲット記入枠)によって図示する。デ
ータムターゲット記入枠の下段には、形体全体のデータムと同じデータムを
指示する文字記号及びデータムターゲットの番号を表す数字を記入する。上
段には、補足事項(例えば、ターゲットの大きさ)を記入する[図17 (a)
]。補足事項がデータムターゲット記入枠の中に記入しきれない場合には、枠
の外側に表示し、引き出し線で枠と結ぶ[図17(b)]。
データムターゲット記入枠は、矢印をつけた引き出し線でデータムターゲ
ットを指示する記号(以下、データムターゲット記号という。)と結ぶ。図
示例を図21、図22に示す。
(2) データムターゲット記号 データムターゲット記号は、表2による。


6.3 データムターゲットの図示例 データムターゲットの図示例を図21及び図22に示す。




7. 以降は、次ページの掲載です。