JISによらない機械製図

JISの機械製図に規定されていない描き方の説明と、偏見的な解説をしています。

2023-07-01から1ヶ月間の記事一覧

製図―寸法及び公差の記入方法―第1部:一般原則 (用語及び定義、寸法記入及び公差記入の原則)

このブログは、JIS規格の製図、なかでも機械製図に関するものを説明していま す。 まず、JIS規格本文を掲載し、それについて解説やコメントがある場合、※を付け てJIS規格とは違う観点からの考えを述べています。 製図―寸法及び公差の記入方法―第1…

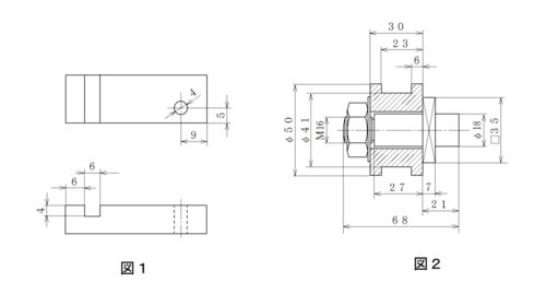
製図―図形の表し方の原則 その他の方法

このブログは、JIS規格の製図、なかでも機械製図に関するものを説明していま す。 まず、JIS規格本文を掲載し、それについて解説やコメントがある場合、※を付け てJIS規格とは違う観点からの考えを述べています。 製図―図形の表し方の原則 JIS …